Главная > Однорядные >6207 Z.C3

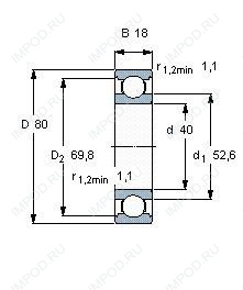
6207 Z.C3 — Подшипник однорядный шариковый радиальный, импортное производство по ISO стандарту, размер 40x80x18 номер основного исполнения .
Производитель: FAG.
C3 = Радиальный внутренний зазор больше нормального.
Цена от:179 р.
Цена на подшипник зависит от:
Габаритные размеры
Конструкция и исполнение
Подшипник шариковый радиальный 6-208
Подшипник роликовый радиально-упорный 32208 (ГПЗ-4)
Подшипник шариковый радиальный 4-208
Подшипник роликовый сферический 20208 (FAG, ISO, SIGMA)
Подшипник шариковый радиальный сферический двухрядный с цилиндрическим отверстием внутреннего кольца 1208