Главная > Однорядные >6207 M (ISO)

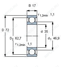
6207 M (ISO) — импортное производство по ISO стандарту, размер 35x72x17 номер основного исполнения 6207.
Производитель: FAG.
S = смазочный паз и три отверстия в наружном кольце подшипника.
Цена от:202 р.
Цена на подшипник зависит от:
| Обозначение | Модификация |
|---|---|
| 6207h | H = высокая, узкая каретка для двухрядного шарикоподшипника и направляющей в сборе. |
| 6207E | Е = Увеличенная грузоподъемность. |
| 6207P | P = Литой сепаратор из стеклонаполненного полиамида 6,6, центрируемый по телам качения. |
| 6207C | С = Необслуживаемые концы стержней, внутренняя резьба. |
| M6207 | |
| 6207R | R = Наружное кольцо с фланцем . |
| S6207 | |
| W 6207 | |
| 6207 N | N = Канавка под стопорное кольцо в наружном кольце |
| 6207UU | Резиновое уплотнение на каждой стороне подшипника. |
| 6207NP | N = Канавка под стопорное кольцо в наружном кольце. P = Литой сепаратор из стеклонаполненного полиамида 6,6, центрируемый по телам качения. |
| 6207D2 | D = профиль наружного кольца, усовершенствованный, с увеличенной зоной несущей нагрузки и оптимизированными краевыми переходами. |
| 6207ZE | Е = Увеличенная грузоподъемность. |
| 6207BI | B = однокомпонентное ребристое внутреннее кольцо. |
| 6207DD | DD = резиновые уплотнения на каждой стороне подшипника. |
| 6207R9 | R = Наружное кольцо с фланцем . |
| 6207h2 | H = высокая, узкая каретка для двухрядного шарикоподшипника и направляющей в сборе. |
| 6207EE | Е = Увеличенная грузоподъемность. |
| NC6207 | |
| 6207LU | LU = RS1 (SKF) = шариковый подшипник с трущим уплотнением с одной стороны. Уплотнение обычно состоит из шайбы из листовой стали и прорезиненной ткани. |
| 6207-Z | Металлический экран с одной стороны. |
| 6207CZ | С = Необслуживаемые концы стержней, внутренняя резьба. |
| 6207VV | V = Увеличенная грузоподъемность, внутренняя модификация конструкции. |
| 6207LB | LB - массивный сепаратор из лёгкого сплава, центрирование по внутреннему кольцу. |
| 6207PC4 | C4 = Радиальный внутренний зазор больше C3. |
| 6207L11 | L = массивный сепаратор из лёгкого сплава. |
| 6207 ZZ | ZZ = Два металлических экрана. |
| AC-6207 | |
| EC-6207 | |
| 6207/31 | |
| 6207LLH | LL = Лабиринтные уплотнения с обеих сторон (уплотнение L-типа - все части уплотнения L-типа покрыты цинком с всех сторон для улучшения защиты от коррозии - без трения уплотнения ). H = Штампованный защелкивающийся стальной сепаратор, закаленный. |
| M6207ZZ | ZZ = Два металлических экрана. |
| 6207-RS | R = Наружное кольцо с фланцем . |
| 6207NSE | S = смазочный паз и три отверстия в наружном кольце подшипника. |
| 6207 NR | Стопорное кольцо и проточка под него в наружном кольце подшипника. |
| 6207T1X | T = Механически обработанный сепаратор из текстолита, центрируемый по телам качения. |
| 6207-2Z | 2Z = Металлические шайбы с каждой стороны подшипника. |
| 6207NRZ | Стопорное кольцо и проточка под него в наружном кольце подшипника. |
| 6207LLB | LLB = Уплотнение из синтетического каучука бесконтактного типа. |
| 6207NKE | К = Коническая посадка, конусность 1:12. |
| 6207/33 | |
| 6207SEE | S = смазочный паз и три отверстия в наружном кольце подшипника. |
| 6207DDU | DDU = резиновые уплотнения на каждой стороне подшипника. |
| 6207LLU | LLU = Резиновые уплотнения на каждой стороне подшипника. |
| 6207ZZE | ZZ = Два металлических экрана. |
| SS 6207 | |
| 6207NEE | Е = Увеличенная грузоподъемность. |
| 6207-RS1 | S1 = Кольца подшипника стабилизированы для рабочих температур до + 200 С. |
| 6207-2RU | Манжетное бесконтактное уплотнение с обеих сторон. |
| W6207-ZZ | ZZ = Два металлических экрана. |
Габаритные размеры
Конструкция и исполнение
Однорядный цилиндрический роликовый подшипник NJ207 (CRAFT, FAG, FBJ, ISB, ISO)
Однорядный цилиндрический роликовый подшипник NU207 (CRAFT, FBJ, IBC, ISB, ISO)
Подшипник однорядный шариковый радиальный 6 -207 (AST, CRAFT, CX, CYSD, FAG)
Подшипник роликовый сферический 20207 (FAG, ISO, SIGMA)
однорядный радиальный шарикоподшипник с пазом для ввода шариков 207
Подшипник шариковый радиальный сферический двухрядный с цилиндрическим отверстием внутреннего кольца 1207