Главная > Однорядные >6206 RSR.C3

6206 RSR.C3 — Подшипник однорядный шариковый радиальный, импортное производство по ISO стандарту, размер 30x62x16 номер основного исполнения 6206.
Производитель: FAG.
C3 = Радиальный внутренний зазор больше нормального.
Цена от:249 р.
Цена на подшипник зависит от:
| Обозначение | Модификация |
|---|---|
| 6206 | Основное конструктивное исполнение. |
| S6206 | |
| 6206R | R = Наружное кольцо с фланцем . |
| 6206E | Е = Увеличенная грузоподъемность. |
| M6206 | |
| 6206LB | LB - массивный сепаратор из лёгкого сплава, центрирование по внутреннему кольцу. |
| 6206LT | T = Механически обработанный сепаратор из текстолита, центрируемый по телам качения. |
| 6206LU | LU = RS1 (SKF) = шариковый подшипник с трущим уплотнением с одной стороны. Уплотнение обычно состоит из шайбы из листовой стали и прорезиненной ткани. |
| 6206VV | V = Увеличенная грузоподъемность, внутренняя модификация конструкции. |
| 6206UU | Резиновое уплотнение на каждой стороне подшипника. |
| 6206ZE | Е = Увеличенная грузоподъемность. |
| 6206 N | N = Канавка под стопорное кольцо в наружном кольце |
| 6206-C | С = Необслуживаемые концы стержней, внутренняя резьба. |
| W 6206 | |
| 6206DD | DD = резиновые уплотнения на каждой стороне подшипника. |
| 6206BI | B = однокомпонентное ребристое внутреннее кольцо. |
| 6206-Z | Металлический экран с одной стороны. |
| HC6206 | |
| 6206D2 | D = профиль наружного кольца, усовершенствованный, с увеличенной зоной несущей нагрузки и оптимизированными краевыми переходами. |
| NC6206 | |
| 6206EE | Е = Увеличенная грузоподъемность. |
| 6206G15 | G15 = Формованная литьевая клетка из армированного стекловолокном полиамида 6,6, с вращающимся элементом по центру. |
| 6206LLB | LLB = Уплотнение из синтетического каучука бесконтактного типа. |
| 6206LLU | LLU = Резиновые уплотнения на каждой стороне подшипника. |
| 6206 ZZ | ZZ = Два металлических экрана. |
| 6206-RZ | R = Наружное кольцо с фланцем . |
| 6206 NR | Стопорное кольцо и проточка под него в наружном кольце подшипника. |
| 6206NKE | К = Коническая посадка, конусность 1:12. |
| 6206NEE | Е = Увеличенная грузоподъемность. |
| 6206LLH | LL = Лабиринтные уплотнения с обеих сторон (уплотнение L-типа - все части уплотнения L-типа покрыты цинком с всех сторон для улучшения защиты от коррозии - без трения уплотнения ). H = Штампованный защелкивающийся стальной сепаратор, закаленный. |
| 6206/20 | |
| 6206PC4 | C4 = Радиальный внутренний зазор больше C3. |
| 6206NSE | S = смазочный паз и три отверстия в наружном кольце подшипника. |
| 6206ZZE | ZZ = Два металлических экрана. |
| SS 6206 | |
| AC-6206 | |
| 6206-2Z | 2Z = Металлические шайбы с каждой стороны подшипника. |
| 6206KZZ | ZZ = Два металлических экрана. |
| 6206SEE | S = смазочный паз и три отверстия в наружном кольце подшипника. |
| 6206/25 | |
| 6206-RS | R = Наружное кольцо с фланцем . |
| EC-6206 | |
| 6206NRZ | Стопорное кольцо и проточка под него в наружном кольце подшипника. |
| 6206L11 | L = массивный сепаратор из лёгкого сплава. |
| 6206DDU | DDU = резиновые уплотнения на каждой стороне подшипника. |
| 6206T1X | T = Механически обработанный сепаратор из текстолита, центрируемый по телам качения. |
| HC6206D | D = профиль наружного кольца, усовершенствованный, с увеличенной зоной несущей нагрузки и оптимизированными краевыми переходами. |
| M6206ZZ | ZZ = Два металлических экрана. |
| 6206KEE | К = Коническая посадка, конусность 1:12. |
| P6206-SB | S (Сегментное уплотнение, код 2L) = кулачковый толкатель, Camrol, герметичная версия. B = шестигранное отверстие ,заменяет шлиц отвертки в конце фланца штока. |
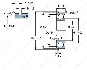
Габаритные размеры
Конструкция и исполнение
Однорядный цилиндрический роликовый подшипник NJ206 (CRAFT, FAG, FBJ, ISB, ISO)
Однорядный цилиндрический роликовый подшипник NU206 (CRAFT, FAG, FBJ, ISB, ISO)
Подшипник шариковый радиальный 6-206 (ГПЗ-23)
Подшипник шариковый радиальный сферический двухрядный с цилиндрическим отверстием внутреннего кольца 5-1206 (ГПЗ-2)
Подшипник роликовый сферический 20206 (FAG, ISO, SIGMA)