Главная > Однорядные >6205 TB.P6.C3

6205 TB.P6.C3 — Подшипник однорядный шариковый радиальный, импортное производство по ISO стандарту, размер 25x52x15 номер основного исполнения 6205.
Производитель: FAG.
P6 = точность размеров и хода до класса допуска ISO 6 (лучше, чем нормальный). C3 = Радиальный внутренний зазор больше, чем обычно.
Цена от:986 р.
Цена на подшипник зависит от:
| Обозначение | Модификация |
|---|---|
| 6205 | Основное конструктивное исполнение. |
| S6205 | |
| 6205E | Е = Увеличенная грузоподъемность. |
| 6205C | С = Необслуживаемые концы стержней, внутренняя резьба. |
| 6205R | R = Наружное кольцо с фланцем . |
| M6205 | |
| 6205LT | T = Механически обработанный сепаратор из текстолита, центрируемый по телам качения. |
| 6205EE | Е = Увеличенная грузоподъемность. |
| 6205-Z | Металлический экран с одной стороны. |
| 6205VV | V = Увеличенная грузоподъемность, внутренняя модификация конструкции. |
| W 6205 | |
| 6205BI | B = однокомпонентное ребристое внутреннее кольцо. |
| 6205DD | DD = резиновые уплотнения на каждой стороне подшипника. |
| 6205LB | LB - массивный сепаратор из лёгкого сплава, центрирование по внутреннему кольцу. |
| 6205ZE | Е = Увеличенная грузоподъемность. |
| NC6205 | |
| 6205LU | LU = RS1 (SKF) = шариковый подшипник с трущим уплотнением с одной стороны. Уплотнение обычно состоит из шайбы из листовой стали и прорезиненной ткани. |
| 6205 N | N = Канавка под стопорное кольцо в наружном кольце |
| 6205UU | Резиновое уплотнение на каждой стороне подшипника. |
| AC-6205 | |
| 6205 NR | Стопорное кольцо и проточка под него в наружном кольце подшипника. |
| 6205/27 | |
| 6205NKE | К = Коническая посадка, конусность 1:12. |
| EC-6205 | |
| SS 6205 | |
| 6205L11 | L = массивный сепаратор из лёгкого сплава. |
| 6205LUZ | LU = RS1 (SKF) = шариковый подшипник с трущим уплотнением с одной стороны. Уплотнение обычно состоит из шайбы из листовой стали и прорезиненной ткани. |
| 6205NRZ | Стопорное кольцо и проточка под него в наружном кольце подшипника. |
| 6205LLH | LL = Лабиринтные уплотнения с обеих сторон (уплотнение L-типа - все части уплотнения L-типа покрыты цинком с всех сторон для улучшения защиты от коррозии - без трения уплотнения ). H = Штампованный защелкивающийся стальной сепаратор, закаленный. |
| 6205NSE | S = смазочный паз и три отверстия в наружном кольце подшипника. |
| 6205NEE | Е = Увеличенная грузоподъемность. |
| 6205DDU | DDU = резиновые уплотнения на каждой стороне подшипника. |
| 6205SEE | S = смазочный паз и три отверстия в наружном кольце подшипника. |
| 6205/26 | |
| 6205 ZZ | ZZ = Два металлических экрана. |
| 6205ZZN | ZZ = Два металлических экрана. |
| 6205G15 | G15 = Формованная литьевая клетка из армированного стекловолокном полиамида 6,6, с вращающимся элементом по центру. |
| 6205ZZE | ZZ = Два металлических экрана. |
| 6205-RS | R = Наружное кольцо с фланцем . |
| 6205-2Z | 2Z = Металлические шайбы с каждой стороны подшипника. |
| 6205LLB | LLB = Уплотнение из синтетического каучука бесконтактного типа. |
| 6205 TB | ТВ = текстолитовый сепаратор, центрируемый по внутреннему кольцу. |
| 6205KEE | К = Коническая посадка, конусность 1:12. |
| M6205ZZ | ZZ = Два металлических экрана. |
| 6205LLU | LLU = Резиновые уплотнения на каждой стороне подшипника. |
| 6205T1X | T = Механически обработанный сепаратор из текстолита, центрируемый по телам качения. |
| 6205ZENR | Стопорное кольцо и проточка под него в наружном кольце подшипника. |
| S6205-2Z | 2Z = Металлические шайбы с каждой стороны подшипника. |
| 6205-Z-N | Металлический экран с одной стороны. |
| 6205LBLU | LB - массивный сепаратор из лёгкого сплава, центрирование по внутреннему кольцу. |
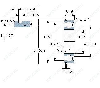
Габаритные размеры
Конструкция и исполнение
Однорядный цилиндрический роликовый подшипник NJ205 (CRAFT, FAG, FBJ, ISB, ISO)
Однорядный цилиндрический роликовый подшипник NU205 (CRAFT, FBJ, IBC, ISB, ISO)
Подшипник шариковый радиальный 6-205
Подшипник шариковый радиальный 4-205 (ГПЗ-4)
Подшипник роликовый сферический 20205 (FAG, ISO, SIGMA)