Главная > Однорядные >6201 Z.C3

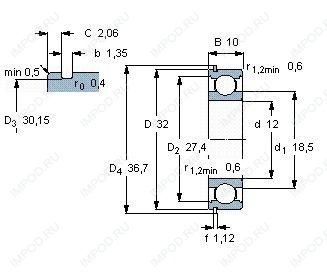
6201 Z.C3 — Подшипник однорядный шариковый радиальный, импортное производство по ISO стандарту, размер 12x32x10 номер основного исполнения 6201.
Производитель: FAG.
C3 = Радиальный внутренний зазор больше нормального.
Цена от:145 р.
Цена на подшипник зависит от:
| Обозначение | Модификация |
|---|---|
| 6201 | Основное конструктивное исполнение. |
| 6201E | Е = Увеличенная грузоподъемность. |
| S6201 | |
| 6201P | P = Литой сепаратор из стеклонаполненного полиамида 6,6, центрируемый по телам качения. |
| 6201ZE | Е = Увеличенная грузоподъемность. |
| 6201UU | Резиновое уплотнение на каждой стороне подшипника. |
| 6201LB | LB - массивный сепаратор из лёгкого сплава, центрирование по внутреннему кольцу. |
| 6201LT | T = Механически обработанный сепаратор из текстолита, центрируемый по телам качения. |
| W 6201 | |
| 6201LU | LU = RS1 (SKF) = шариковый подшипник с трущим уплотнением с одной стороны. Уплотнение обычно состоит из шайбы из листовой стали и прорезиненной ткани. |
| 6201VV | V = Увеличенная грузоподъемность, внутренняя модификация конструкции. |
| 6201EE | Е = Увеличенная грузоподъемность. |
| 6201-C | С = Необслуживаемые концы стержней, внутренняя резьба. |
| 6201-Z | Металлический экран с одной стороны. |
| NC6201 | |
| 6201DD | DD = резиновые уплотнения на каждой стороне подшипника. |
| 6201-N | N = Канавка под стопорное кольцо в наружном кольце |
| 6201 ZZ | ZZ = Два металлических экрана. |
| 6201ZZE | ZZ = Два металлических экрана. |
| SS 6201 | |
| 6201LLU | LLU = Резиновые уплотнения на каждой стороне подшипника. |
| 6201NKE | К = Коническая посадка, конусность 1:12. |
| 6201NSE | S = смазочный паз и три отверстия в наружном кольце подшипника. |
| 6201-2Z | 2Z = Металлические шайбы с каждой стороны подшипника. |
| 6201ZZN | ZZ = Два металлических экрана. |
| AC-6201 | |
| 6201-RS | R = Наружное кольцо с фланцем . |
| 6201T1X | T = Механически обработанный сепаратор из текстолита, центрируемый по телам качения. |
| EC-6201 | |
| 6201LLB | LLB = Уплотнение из синтетического каучука бесконтактного типа. |
| 6201-ZP | Металлический экран с одной стороны. |
| 6201DDU | DDU = резиновые уплотнения на каждой стороне подшипника. |
| 6201L11 | L = массивный сепаратор из лёгкого сплава. |
| 6201LLH | LL = Лабиринтные уплотнения с обеих сторон (уплотнение L-типа - все части уплотнения L-типа покрыты цинком с всех сторон для улучшения защиты от коррозии - без трения уплотнения ). H = Штампованный защелкивающийся стальной сепаратор, закаленный. |
| 6201-NR | Стопорное кольцо и проточка под него в наружном кольце подшипника. |
| 6201-RS2 | S2 = Кольца подшипника стабилизированы для рабочих температур до + 250 С. |
| 6201NRZZ | ZZ = Два металлических экрана. |
| 6201LLHN | LL = Лабиринтные уплотнения с обеих сторон (уплотнение L-типа - все части уплотнения L-типа покрыты цинком с всех сторон для улучшения защиты от коррозии - без трения уплотнения ). H = Штампованный защелкивающийся стальной сепаратор, закаленный. |
| 6201 2RS | Резиновые уплотнения с каждой стороны подшипника. |
| 6201ZENR | Стопорное кольцо и проточка под него в наружном кольце подшипника. |
| 6201-2RD | R = Наружное кольцо с фланцем . |
| 6201-RSH | R = Наружное кольцо с фланцем . |
| W6201-ZZ | ZZ = Два металлических экрана. |
| 6201-RSL | R = Наружное кольцо с фланцем . |
| 6201-Z-N | Металлический экран с одной стороны. |
| P6201-GB | G = Однорядный радиально-упорный шарикоподшипник для универсального парного монтажа. Два подшипника, установленные по 0-образной или Х-образной схеме, будут иметь определенный осевой зазор в домонтажном состоянии. |
| P6201-SB | S (Сегментное уплотнение, код 2L) = кулачковый толкатель, Camrol, герметичная версия. B = шестигранное отверстие ,заменяет шлиц отвертки в конце фланца штока. |
| 6201HVZZ | ZZ = Два металлических экрана. |
| 6201ZZF1 | ZZ = Два металлических экрана. |
| S6201-2Z | 2Z = Металлические шайбы с каждой стороны подшипника. |
| Техника | Модель | Агрегат |
|---|---|---|
| Трактор | Т-151К с двигателем СМД-62А-63А | Двигатель/вал регулятора насоса топливного |
| Трактор | Т-151К с двигателем СМД-62А-63А | Двигатель/вал эксцентриковый насоса топливного |
| Мототехника | Минск ММВЗ-3.11211 | Промежуточный вал коробки передач |
| Мототехника | Минск ММВЗ-3.1135 | Промежуточный вал коробки передач |
| KMAZ | 4310 | Система питания двигателя |
| KMAZ | 43105 | Система питания двигателя |
| ЛиАЗ | 5256 | Система питания двигателя |
Габаритные размеры
Конструкция и исполнение
Подшипник шариковый радиально-упорный 7-201 (ГПЗ-4)
Подшипник шариковый радиальный 6-201 (ГПЗ-4)
Подшипник шариковый радиальный сферический двухрядный с цилиндрическим отверстием внутреннего кольца 5-1201 (ГПЗ-2)
Подшипник шариковый радиальный 4-201 (ГПЗ-4)
Подшипник шариковый радиальный однорядный 201