Главная > Однорядные >6200 2Z.C3

6200 2Z.C3 — Подшипник однорядный шариковый радиальный, импортное производство по ISO стандарту, размер 10x30x9 номер основного исполнения 6200.
Производитель: FAG.
2Z = Металлические шайбы с каждой стороны подшипника.
Цена от:54 р.
Цена на подшипник зависит от:
| Обозначение | Модификация |
|---|---|
| 6200 | Основное конструктивное исполнение. |
| 6200h | H = высокая, узкая каретка для двухрядного шарикоподшипника и направляющей в сборе. |
| S6200 | |
| W 6200 | |
| 6200UU | Резиновое уплотнение на каждой стороне подшипника. |
| 6200VV | V = Увеличенная грузоподъемность, внутренняя модификация конструкции. |
| 6200-Z | Металлический экран с одной стороны. |
| NC6200 | |
| 6200ZE | Е = Увеличенная грузоподъемность. |
| 6200LB | LB - массивный сепаратор из лёгкого сплава, центрирование по внутреннему кольцу. |
| 6200LT | T = Механически обработанный сепаратор из текстолита, центрируемый по телам качения. |
| 6200DD | DD = резиновые уплотнения на каждой стороне подшипника. |
| 6200-N | N = Канавка под стопорное кольцо в наружном кольце |
| 6200EE | Е = Увеличенная грузоподъемность. |
| 6200-C | С = Необслуживаемые концы стержней, внутренняя резьба. |
| 6200LU | LU = RS1 (SKF) = шариковый подшипник с трущим уплотнением с одной стороны. Уплотнение обычно состоит из шайбы из листовой стали и прорезиненной ткани. |
| 6200ZZE | ZZ = Два металлических экрана. |
| AC-6200 | |
| 6200NKE | К = Коническая посадка, конусность 1:12. |
| 6200DDU | DDU = резиновые уплотнения на каждой стороне подшипника. |
| EC-6200 | |
| 6200NSE | S = смазочный паз и три отверстия в наружном кольце подшипника. |
| 6200-RS | R = Наружное кольцо с фланцем . |
| 6200LLB | LLB = Уплотнение из синтетического каучука бесконтактного типа. |
| 6200 2Z | 2Z = Металлические шайбы с каждой стороны подшипника. |
| 6200LLU | LLU = Резиновые уплотнения на каждой стороне подшипника. |
| SS 6200 | |
| 6200LLH | LL = Лабиринтные уплотнения с обеих сторон (уплотнение L-типа - все части уплотнения L-типа покрыты цинком с всех сторон для улучшения защиты от коррозии - без трения уплотнения ). H = Штампованный защелкивающийся стальной сепаратор, закаленный. |
| 6200T1X | T = Механически обработанный сепаратор из текстолита, центрируемый по телам качения. |
| 6200 ZZ | ZZ = Два металлических экрана. |
| 6200L11 | L = массивный сепаратор из лёгкого сплава. |
| 6200 NR | Стопорное кольцо и проточка под него в наружном кольце подшипника. |
| W6200-ZZ | ZZ = Два металлических экрана. |
| 6200-2RD | R = Наружное кольцо с фланцем . |
| 6200LTZZ | ZZ = Два металлических экрана. |
| 6200-Z-N | Металлический экран с одной стороны. |
| P6200-GB | G = Однорядный радиально-упорный шарикоподшипник для универсального парного монтажа. Два подшипника, установленные по 0-образной или Х-образной схеме, будут иметь определенный осевой зазор в домонтажном состоянии. |
| 6200-RS2 | S2 = Кольца подшипника стабилизированы для рабочих температур до + 250 С. |
| P6200-SB | S (Сегментное уплотнение, код 2L) = кулачковый толкатель, Camrol, герметичная версия. B = шестигранное отверстие ,заменяет шлиц отвертки в конце фланца штока. |
| 6200-RSH | R = Наружное кольцо с фланцем . |
| 6200-RSL | R = Наружное кольцо с фланцем . |
| 6200-ZNR | Стопорное кольцо и проточка под него в наружном кольце подшипника. |
| S6200-2Z | 2Z = Металлические шайбы с каждой стороны подшипника. |
| 6200-2RU | Манжетное бесконтактное уплотнение с обеих сторон. |
| 6200 2RS | Резиновые уплотнения с каждой стороны подшипника. |
| 6200NRZZ | ZZ = Два металлических экрана. |
| 6200ZENR | Стопорное кольцо и проточка под него в наружном кольце подшипника. |
| 6200-2NKE | К = Коническая посадка, конусность 1:12. |
| 6200-2Z-N | 2Z = Металлические шайбы с каждой стороны подшипника. |
| 6200FT150 | T = Механически обработанный сепаратор из текстолита, центрируемый по телам качения. |
| Техника | Модель | Агрегат |
|---|---|---|
| КрАЗ | 255Б1А | Система питания двигателя |
| КрАЗ | 255Б1 | Система питания двигателя |
| КрАЗ | 255В1 | Система питания двигателя |
| КрАЗ | 255Л1 | Система питания двигателя |
| КрАЗ | 255 | Система питания двигателя |
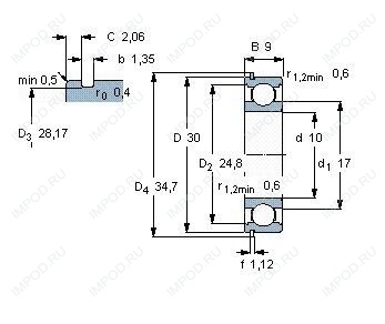
Габаритные размеры
Конструкция и исполнение
Подшипник шариковый радиально-упорный 7-200 (ГПЗ-4)
Подшипник шариковый радиальный 4-200 (ГПЗ-4)
Подшипник шариковый радиальный сферический двухрядный с цилиндрическим отверстием внутреннего кольца 1200 (ГПЗ-2)
Подшипник однорядный шариковый радиальный 200
Подшипник шариковый однорядный радиально-упорный B7200 E.T.P4S.UL (FAG)