Главная > Подшипники> Шариковые> Радиальные>6-50311 АW2

6-50311 АW2 — Подшипник шариковый радиальный однорядный с канавкой на наружном кольце, отечественное производство по ГОСТ стандарту, размер 55x120x29 номер основного исполнения 50311.
W2 = Подшипники из нержавеющей стали .
Цена по запросу
Цена на подшипник зависит от:
| Обозначение | Модификация |
|---|---|
| 50311 | Основное конструктивное исполнение. |
| 50311 А | А = Подшипник повышенной грузоподьемности. ГОСТ |
| 8-50311 А | А = Подшипник повышенной грузоподьемности. ГОСТ |
| 50311 АW2 | W2 = Подшипники из нержавеющей стали . |
| 50311 АК2 | А = Увеличенная грузоподемность подшипника. К2 = Конструктивное изменение зависящее от типа подшипника. |
| 50311 С17 | С17 = В подшипнике используется смазка многоцелевого назначения ЛИТОЛ-24. Температурный режим от - 40 до +120. |
| 6-50311 А | А = Подшипник повышенной грузоподьемности. ГОСТ |
| 6-50311 АК | А = Увеличенная грузоподемность подшипника. К = Конструктивное изменение зависящее от типа подшипника. |
| 6-50311 АК2 | А = Увеличенная грузоподемность подшипника. К2 = Конструктивное изменение зависящее от типа подшипника. |
| 8-50311 АW2 | W2 = Подшипники из нержавеющей стали . |
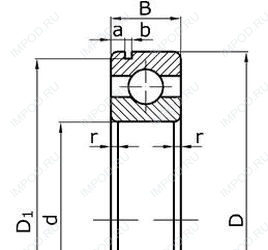
Габаритные размеры
Размеры и геометрические характеристики
Однорядный цилиндрический роликовый подшипник NU311 (CRAFT, FAG, FBJ, ISB, ISO)
Подшипник шариковый радиальный 6-311 (ГПЗ-23)
Однорядный цилиндрический роликовый подшипник NJ311 (CRAFT, FAG, FBJ, ISB, ISO)
Подшипник роликовый сферический 20311 (FAG, ISO, SIGMA)
Подшипник роликовый сферический 21311 (ISB, NTN, SKF)
Подшипник шариковый радиальный сферический двухрядный с цилиндрическим отверстием внутреннего кольца 1311