Главная > Подшипники> Шариковые> Радиальные>50311 А

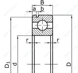
50311 А — Подшипник шариковый радиальный однорядный с канавкой на наружном кольце, отечественное производство по ГОСТ стандарту, размер 55x120x29 номер основного исполнения 50311.
А = Подшипник повышенной грузоподьемности. ГОСТ
Цена по запросу
Цена на подшипник зависит от:
| Обозначение | Модификация |
|---|---|
| 50311 | Основное конструктивное исполнение. |
| 50311 АW2 | W2 = Подшипники из нержавеющей стали . |
| 50311 АК2 | А = Увеличенная грузоподемность подшипника. К2 = Конструктивное изменение зависящее от типа подшипника. |
| 50311 С17 | С17 = В подшипнике используется смазка многоцелевого назначения ЛИТОЛ-24. Температурный режим от - 40 до +120. |
| 6-50311 А | А = Подшипник повышенной грузоподьемности. ГОСТ |
| 8-50311 А | А = Подшипник повышенной грузоподьемности. ГОСТ |
| 6-50311 АК | А = Увеличенная грузоподемность подшипника. К = Конструктивное изменение зависящее от типа подшипника. |
| 6-50311 АW2 | W2 = Подшипники из нержавеющей стали . |
| 6-50311 АК2 | А = Увеличенная грузоподемность подшипника. К2 = Конструктивное изменение зависящее от типа подшипника. |
| 8-50311 АW2 | W2 = Подшипники из нержавеющей стали . |
| Техника | Модель | Агрегат |
|---|---|---|
| МоАЗ | 6401-9585 | Коробка отбора мощности |
| КАвЗ | 3100 | Коробка передач гидромеханическая |
| ЛиАЗ | 677Б | Коробка передач гидромеханическая |
| ЛиАЗ | 677В | Коробка передач гидромеханическая |
| ЛиАЗ | 677М | Коробка передач гидромеханическая |
| ЛиАЗ | 677П | Коробка передач гидромеханическая |
| ЛиАЗ | 677 | Коробка передач гидромеханическая |
| ГАЗ | 3301 | Коробка переключения передач |
| ГАЗ | 4301 | Коробка переключения передач |
| ГАЗ | 4509 | Коробка переключения передач |
| KMAZ | 4310 | Коробка раздаточная |
| KMAZ | 43105 | Коробка раздаточная |
| ГАЗ | САЗ 4509 | Коробка переключения передач |
| ГАЗ | 3301 | Коробка переключения передач |
| ГАЗ | 3306 | Коробка переключения передач |
| ГАЗ | 4301 | Коробка переключения передач |
| Трактор | Т-74 | Коробка переключения передач |
| Трактор | Т-75 | Первичный вал коробки передач |
Габаритные размеры
Размеры и геометрические характеристики
Однорядный цилиндрический роликовый подшипник NU311 (CRAFT, FAG, FBJ, ISB, ISO)
Подшипник шариковый радиальный 6-311 (ГПЗ-23)
Однорядный цилиндрический роликовый подшипник NJ311 (CRAFT, FAG, FBJ, ISB, ISO)
Подшипник роликовый сферический 20311 (FAG, ISO, SIGMA)
Подшипник роликовый сферический 21311 (ISB, NTN, SKF)
Подшипник шариковый радиальный сферический двухрядный с цилиндрическим отверстием внутреннего кольца 1311