Главная > Подшипники> Шариковые> Упорные>54420U+U420

54420U+U420 — Подшипник шариковый упорный, импортное производство по ISO стандарту номер основного исполнения 54420.
Производится брендами: CX, ISO.
Резиновое уплотнение на каждой стороне подшипника.
Цена по запросу
Цена на подшипник зависит от:
| Обозначение | Модификация |
|---|---|
| 54420 | Основное конструктивное исполнение. |
| 54420U | |
| 54420X | X = Внешние размеры, соответствующие международным стандартам. |
| 54420XU | X = Внешние размеры, соответствующие международным стандартам. |
| 54420-MP | M = массивный латунный сепаратор. |
| 54420-MP+U420 | M = массивный латунный сепаратор. |
| 54420+2/U 420 | |
| 54420 M + U 420 | M = массивный латунный сепаратор. |
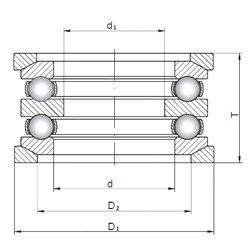
Габаритные размеры
Размеры и геометрические характеристики
Нагрузка и ресурс
Защита
Конструкция и исполнение
Другие размеры