Главная > Подшипники> Шариковые> Упорные>54420-MP

54420-MP — Осевой радиальный шарикоподшипник, импортное производство по ISO стандарту, размер 80x210x159 номер основного исполнения 54420.
Производитель: NKE.
P = Литой сепаратор из стеклонаполненного полиамида 6,6, центрируемый по телам качения.
Цена по запросу
Цена на подшипник зависит от:
| Обозначение | Модификация |
|---|---|
| 54420 | Основное конструктивное исполнение. |
| 54420U | |
| 54420X | X = Внешние размеры, соответствующие международным стандартам. |
| 54420XU | X = Внешние размеры, соответствующие международным стандартам. |
| 54420U+U420 | Резиновое уплотнение на каждой стороне подшипника. |
| 54420-MP+U420 | M = массивный латунный сепаратор. |
| 54420+2/U 420 | |
| 54420 M + U 420 | M = массивный латунный сепаратор. |
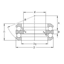
Габаритные размеры
Размеры и геометрические характеристики
Нагрузка и ресурс
Защита
Присоединительные размеры
Конструкция и исполнение
Другие размеры