Главная > Подшипники> Шариковые> Упорные>54417U+U417

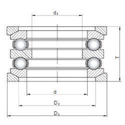
54417U+U417 — Подшипник шариковый упорный, импортное производство по ISO стандарту номер основного исполнения 54417.
Производится брендами: CX, ISO.
Резиновое уплотнение на каждой стороне подшипника.
Цена по запросу
Цена на подшипник зависит от:
Габаритные размеры
Размеры и геометрические характеристики
Нагрузка и ресурс
Защита
Конструкция и исполнение
Другие размеры