Главная > Подшипники> Шариковые> Упорные>54417-MP+U417

54417-MP+U417 — Осевой радиальный шарикоподшипник, импортное производство по ISO стандарту, размер 65x180x138 номер основного исполнения 54417.
Производитель: NKE.
P = Литой сепаратор из стеклонаполненного полиамида 6,6, центрируемый по телам качения.
Цена по запросу
Цена на подшипник зависит от:
| Обозначение | Модификация |
|---|---|
| 54417 | Основное конструктивное исполнение. |
| 54417U | |
| 54417X | X = Внешние размеры, соответствующие международным стандартам. |
| 54417XU | X = Внешние размеры, соответствующие международным стандартам. |
| 54417-MP | M = массивный латунный сепаратор. |
| 54417U+U417 | Резиновое уплотнение на каждой стороне подшипника. |
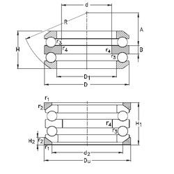
Габаритные размеры
Размеры и геометрические характеристики
Нагрузка и ресурс
Защита
Присоединительные размеры
Конструкция и исполнение
Другие размеры