Главная > Подшипники> Шариковые> Упорные>54415

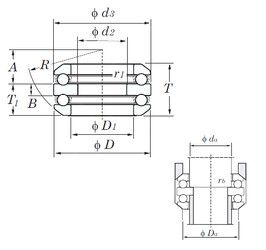
54415 — Подшипник шариковый упорный, импортное производство по ISO стандарту, размер 78x160x123 основное исполнение.
Производится брендами: CX, ISO, KOYO, NACHI, NSK.
Цена от:31 287 р.
Цена на подшипник зависит от:
| Обозначение | Модификация |
|---|---|
| 54415U | |
| 54415-MP | M = массивный латунный сепаратор. |
| 54415U+U415 | Резиновое уплотнение на каждой стороне подшипника. |
| 54415-MP+U415 | M = массивный латунный сепаратор. |
Габаритные размеры
Размеры и геометрические характеристики
Нагрузка и ресурс
Защита
Присоединительные размеры
Конструкция и исполнение
Другие размеры