Главная > Подшипники> Шариковые> Упорные>54415-MP+U415

54415-MP+U415 — Осевой радиальный шарикоподшипник, импортное производство по ISO стандарту, размер 60x160x123 номер основного исполнения 54415.
Производитель: NKE.
P = Литой сепаратор из стеклонаполненного полиамида 6,6, центрируемый по телам качения.
Цена от:31 287 р.
Цена на подшипник зависит от:
| Обозначение | Модификация |
|---|---|
| 54415 | Основное конструктивное исполнение. |
| 54415U | |
| 54415-MP | M = массивный латунный сепаратор. |
| 54415U+U415 | Резиновое уплотнение на каждой стороне подшипника. |
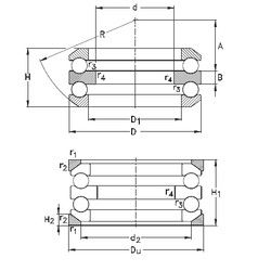
Габаритные размеры
Размеры и геометрические характеристики
Нагрузка и ресурс
Защита
Присоединительные размеры
Конструкция и исполнение
Другие размеры