Главная > Подшипники> Шариковые> Упорные>54413

54413 — Подшипник шариковый упорный двойного направления, импортное производство по ISO стандарту, размер 50x140x109 основное исполнение.
Производится брендами: CX, ISO, KOYO, NACHI, NSK.
Цена от:15 759 р.
Цена на подшипник зависит от:
| Обозначение | Модификация |
|---|---|
| 54413U | |
| 54413-MP | M = массивный латунный сепаратор. |
| 54413U+U413 | Резиновое уплотнение на каждой стороне подшипника. |
| 54413-MP+U413 | M = массивный латунный сепаратор. |
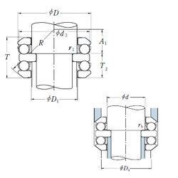
Габаритные размеры
Размеры и геометрические характеристики
Нагрузка и ресурс
Защита
Присоединительные размеры
Конструкция и исполнение
Другие размеры