Главная > Подшипники> Шариковые> Упорные>54413-MP+U413

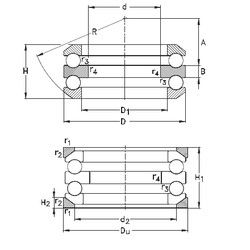
54413-MP+U413 — Осевой радиальный шарикоподшипник, импортное производство по ISO стандарту, размер 50x140x109 номер основного исполнения 54413.
Производитель: NKE.
P = Литой сепаратор из стеклонаполненного полиамида 6,6, центрируемый по телам качения.
Цена от:15 759 р.
Цена на подшипник зависит от:
| Обозначение | Модификация |
|---|---|
| 54413 | Основное конструктивное исполнение. |
| 54413U | |
| 54413-MP | M = массивный латунный сепаратор. |
| 54413U+U413 | Резиновое уплотнение на каждой стороне подшипника. |
Габаритные размеры
Размеры и геометрические характеристики
Нагрузка и ресурс
Защита
Присоединительные размеры
Конструкция и исполнение
Другие размеры