Главная > Подшипники> Шариковые> Упорные>54408U

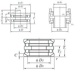
54408U — Подшипник шариковый упорный двойного направления, импортное производство по ISO стандарту, размер 40x90x77 номер основного исполнения 54408.
Производится брендами: KOYO, NACHI, NSK.
Цена от:5 841 р.
Цена на подшипник зависит от:
| Обозначение | Модификация |
|---|---|
| 54408 | Основное конструктивное исполнение. |
| 54408+U408 | |
| 54408U+U408 | Резиновое уплотнение на каждой стороне подшипника. |
Габаритные размеры
Размеры и геометрические характеристики
Нагрузка и ресурс
Защита
Присоединительные размеры
Конструкция и исполнение
Другие размеры