Главная > Подшипники> Шариковые> Упорные>54408U+U408

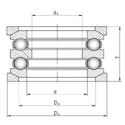
54408U+U408 — Подшипник шариковый упорный, импортное производство по ISO стандарту, размер 42x60x77 номер основного исполнения 54408.
Производится брендами: CX, ISO.
Резиновое уплотнение на каждой стороне подшипника.
Цена от:5 841 р.
Цена на подшипник зависит от:
| Обозначение | Модификация |
|---|---|
| 54408 | Основное конструктивное исполнение. |
| 54408U | |
| 54408+U408 |
Габаритные размеры
Размеры и геометрические характеристики
Нагрузка и ресурс
Защита
Конструкция и исполнение
Другие размеры