Главная > Подшипники> Шариковые> Упорные>54318

54318 — Подшипник шариковый упорный двойного направления, импортное производство по ISO стандарту, размер 90x155x97 основное исполнение.
Производится брендами: CX, FAG, ISO, KOYO, NACHI, NSK.
Цена от:13 738 р.
Цена на подшипник зависит от:
| Обозначение | Модификация |
|---|---|
| 54318U | |
| 54318-MP | M = массивный латунный сепаратор. |
| 54318U+U318 | Резиновое уплотнение на каждой стороне подшипника. |
| 54318 + U318 | |
| 54318-MP+U318 | M = массивный латунный сепаратор. |
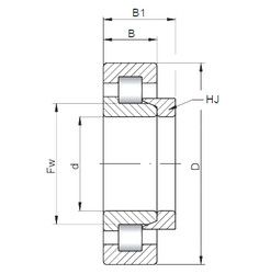
Габаритные размеры
Размеры и геометрические характеристики
Нагрузка и ресурс
Защита
Присоединительные размеры
Конструкция и исполнение
Другие размеры
Прочие характеристики