Главная > Подшипники> Шариковые> Упорные>54318-MP+U318

54318-MP+U318 — Осевой радиальный шарикоподшипник, импортное производство по ISO стандарту, размер 75x155x97 номер основного исполнения 54318.
Производитель: NKE.
P = Литой сепаратор из стеклонаполненного полиамида 6,6, центрируемый по телам качения.
Цена от:13 738 р.
Цена на подшипник зависит от:
| Обозначение | Модификация |
|---|---|
| 54318 | Основное конструктивное исполнение. |
| 54318U | |
| 54318-MP | M = массивный латунный сепаратор. |
| 54318U+U318 | Резиновое уплотнение на каждой стороне подшипника. |
| 54318 + U318 |
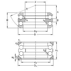
Габаритные размеры
Размеры и геометрические характеристики
Нагрузка и ресурс
Защита
Присоединительные размеры
Конструкция и исполнение
Другие размеры