Главная > Подшипники> Шариковые> Упорные>54314U

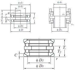
54314U — Подшипник шариковый упорный двойного направления, импортное производство по ISO стандарту, размер 70x125x88 номер основного исполнения 54314.
Производится брендами: KOYO, NACHI, NSK.
Цена от:5 244 р.
Цена на подшипник зависит от:
| Обозначение | Модификация |
|---|---|
| 54314 | Основное конструктивное исполнение. |
| 54314-MP | M = массивный латунный сепаратор. |
| 54314U+U314 | Резиновое уплотнение на каждой стороне подшипника. |
| 54314 + U314 | |
| 54314-MP+U314 | M = массивный латунный сепаратор. |
Габаритные размеры
Размеры и геометрические характеристики
Нагрузка и ресурс
Защита
Присоединительные размеры
Конструкция и исполнение
Другие размеры