Главная > Подшипники> Шариковые> Упорные>54314-MP

54314-MP — Осевой радиальный шарикоподшипник, импортное производство по ISO стандарту, размер 55x125x80 номер основного исполнения 54314.
Производитель: NKE.
P = Литой сепаратор из стеклонаполненного полиамида 6,6, центрируемый по телам качения.
Цена от:5 244 р.
Цена на подшипник зависит от:
| Обозначение | Модификация |
|---|---|
| 54314 | Основное конструктивное исполнение. |
| 54314U | |
| 54314U+U314 | Резиновое уплотнение на каждой стороне подшипника. |
| 54314 + U314 | |
| 54314-MP+U314 | M = массивный латунный сепаратор. |
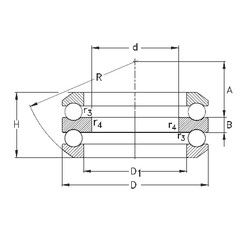
Габаритные размеры
Размеры и геометрические характеристики
Нагрузка и ресурс
Защита
Присоединительные размеры
Конструкция и исполнение
Другие размеры