Главная > Подшипники> Шариковые> Упорные>54313

54313 — Подшипник шариковый упорный двойного направления, импортное производство по ISO стандарту, размер 65x115x71 основное исполнение.
Производится брендами: CX, ISO, KOYO, NACHI, NSK.
Цена от:6 282 р.
Цена на подшипник зависит от:
| Обозначение | Модификация |
|---|---|
| 54313U | |
| 54313-MP | M = массивный латунный сепаратор. |
| 54313U+U313 | Резиновое уплотнение на каждой стороне подшипника. |
| 54313-MP+U313 | M = массивный латунный сепаратор. |
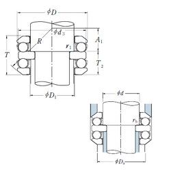
Габаритные размеры
Размеры и геометрические характеристики
Нагрузка и ресурс
Защита
Присоединительные размеры
Конструкция и исполнение
Другие размеры