Главная > Подшипники> Шариковые> Упорные>54313-MP+U313

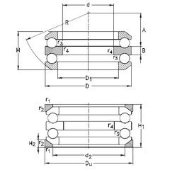
54313-MP+U313 — Осевой радиальный шарикоподшипник, импортное производство по ISO стандарту, размер 55x115x71 номер основного исполнения 54313.
Производитель: NKE.
P = Литой сепаратор из стеклонаполненного полиамида 6,6, центрируемый по телам качения.
Цена от:6 282 р.
Цена на подшипник зависит от:
| Обозначение | Модификация |
|---|---|
| 54313 | Основное конструктивное исполнение. |
| 54313U | |
| 54313-MP | M = массивный латунный сепаратор. |
| 54313U+U313 | Резиновое уплотнение на каждой стороне подшипника. |
Габаритные размеры
Размеры и геометрические характеристики
Нагрузка и ресурс
Защита
Присоединительные размеры
Конструкция и исполнение
Другие размеры