Главная > Подшипники> Шариковые> Упорные>54222U+U222

54222U+U222 — Подшипник шариковый упорный, импортное производство по ISO стандарту номер основного исполнения 54222.
Производится брендами: CX, ISO.
Резиновое уплотнение на каждой стороне подшипника.
Цена по запросу
Цена на подшипник зависит от:
| Обозначение | Модификация |
|---|---|
| 54222 | Основное конструктивное исполнение. |
| 54222U | |
| 54222-MP | M = массивный латунный сепаратор. |
| 54222-MP+U222 | M = массивный латунный сепаратор. |
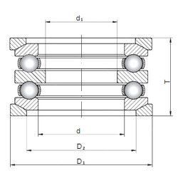
Габаритные размеры
Размеры и геометрические характеристики
Нагрузка и ресурс
Защита
Конструкция и исполнение
Другие размеры