Главная > Подшипники> Шариковые> Упорные>54222-MP

54222-MP — Осевой радиальный шарикоподшипник, импортное производство по ISO стандарту, размер 95x160x71 номер основного исполнения 54222.
Производитель: NKE.
P = Литой сепаратор из стеклонаполненного полиамида 6,6, центрируемый по телам качения.
Цена по запросу
Цена на подшипник зависит от:
| Обозначение | Модификация |
|---|---|
| 54222 | Основное конструктивное исполнение. |
| 54222U | |
| 54222U+U222 | Резиновое уплотнение на каждой стороне подшипника. |
| 54222-MP+U222 | M = массивный латунный сепаратор. |
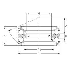
Габаритные размеры
Размеры и геометрические характеристики
Нагрузка и ресурс
Защита
Присоединительные размеры
Конструкция и исполнение
Другие размеры