Главная > Подшипники> Шариковые> Упорные>54217U

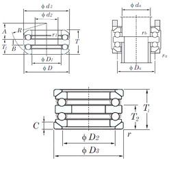
54217U — Осевой радиальный шарикоподшипник, импортное производство по ISO стандарту, размер 85x125x67 номер основного исполнения 54217.
Производится брендами: KOYO, NACHI, NSK.
Цена от:7 351 р.
Цена на подшипник зависит от:
| Обозначение | Модификация |
|---|---|
| 54217 | Основное конструктивное исполнение. |
| 54217-MP | M = массивный латунный сепаратор. |
| 54217U+U217 | Резиновое уплотнение на каждой стороне подшипника. |
| 54217 + U217 | |
| 54217-MP+U217 | M = массивный латунный сепаратор. |
Габаритные размеры
Размеры и геометрические характеристики
Нагрузка и ресурс
Защита
Присоединительные размеры
Конструкция и исполнение
Другие размеры