Главная > Подшипники> Шариковые> Упорные>54217-MP

54217-MP — Осевой радиальный шарикоподшипник, импортное производство по ISO стандарту, размер 70x125x59 номер основного исполнения 54217.
Производитель: NKE.
P = Литой сепаратор из стеклонаполненного полиамида 6,6, центрируемый по телам качения.
Цена от:7 351 р.
Цена на подшипник зависит от:
| Обозначение | Модификация |
|---|---|
| 54217 | Основное конструктивное исполнение. |
| 54217U | |
| 54217U+U217 | Резиновое уплотнение на каждой стороне подшипника. |
| 54217 + U217 | |
| 54217-MP+U217 | M = массивный латунный сепаратор. |
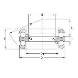
Габаритные размеры
Размеры и геометрические характеристики
Нагрузка и ресурс
Защита
Присоединительные размеры
Конструкция и исполнение
Другие размеры
Конический роликоподшипник 430214U (NTN)
Подшипник роликовый радиально-упорный 46T30214JR/48.5 (KOYO)
Конический роликоподшипник 4T-430214 (NTN)
Конический роликоподшипник HR70KBE42+L (NSK)