Главная > Подшипники> Шариковые> Упорные>54216

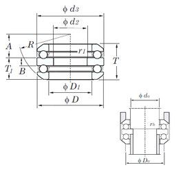
54216 — Подшипник шариковый упорный двойного направления, импортное производство по ISO стандарту, размер 82x115x51 основное исполнение.
Производится брендами: CX, FAG, ISO, KOYO, NACHI, NSK.
Цена от:5 935 р.
Цена на подшипник зависит от:
| Обозначение | Модификация |
|---|---|
| 54216U | |
| 54216-MP | M = массивный латунный сепаратор. |
| 54216U+U216 | Резиновое уплотнение на каждой стороне подшипника. |
| 54216 + U216 | |
| 54216-MP+U216 | M = массивный латунный сепаратор. |
Габаритные размеры
Размеры и геометрические характеристики
Нагрузка и ресурс
Защита
Присоединительные размеры
Конструкция и исполнение
Другие размеры
Прочие характеристики