Главная > Подшипники> Шариковые> Упорные>54216-MP+U216

54216-MP+U216 — Осевой радиальный шарикоподшипник, импортное производство по ISO стандарту, размер 65x115x51 номер основного исполнения 54216.
Производитель: NKE.
P = Литой сепаратор из стеклонаполненного полиамида 6,6, центрируемый по телам качения.
Цена от:5 935 р.
Цена на подшипник зависит от:
| Обозначение | Модификация |
|---|---|
| 54216 | Основное конструктивное исполнение. |
| 54216U | |
| 54216-MP | M = массивный латунный сепаратор. |
| 54216U+U216 | Резиновое уплотнение на каждой стороне подшипника. |
| 54216 + U216 |
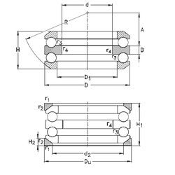
Габаритные размеры
Размеры и геометрические характеристики
Нагрузка и ресурс
Защита
Присоединительные размеры
Конструкция и исполнение
Другие размеры