Главная > Подшипники> Шариковые> Упорные>54215U

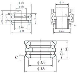
54215U — Осевой радиальный шарикоподшипник, импортное производство по ISO стандарту, размер 75x110x57 номер основного исполнения 54215.
Производится брендами: KOYO, NACHI, NSK.
Цена по запросу
Цена на подшипник зависит от:
| Обозначение | Модификация |
|---|---|
| 54215 | Основное конструктивное исполнение. |
| 54215-MP | M = массивный латунный сепаратор. |
| 54215U+U215 | Резиновое уплотнение на каждой стороне подшипника. |
| 54215 + U215 | |
| 54215-MP+U215 | M = массивный латунный сепаратор. |
Габаритные размеры
Размеры и геометрические характеристики
Нагрузка и ресурс
Защита
Присоединительные размеры
Конструкция и исполнение
Другие размеры