Главная > Подшипники> Шариковые> Упорные>54215 + U215

54215 + U215 — Подшипник шариковый упорный, импортное производство по ISO стандарту, размер 60x115x57 номер основного исполнения 54215.
Производитель: FAG.
Цена по запросу
Цена на подшипник зависит от:
| Обозначение | Модификация |
|---|---|
| 54215 | Основное конструктивное исполнение. |
| 54215U | |
| 54215-MP | M = массивный латунный сепаратор. |
| 54215U+U215 | Резиновое уплотнение на каждой стороне подшипника. |
| 54215-MP+U215 | M = массивный латунный сепаратор. |
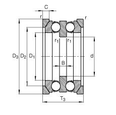
Габаритные размеры
Размеры и геометрические характеристики
Нагрузка и ресурс
Присоединительные размеры
Конструкция и исполнение
Прочие характеристики