Главная > Подшипники> Шариковые> Упорные>54213U

54213U — Осевой радиальный шарикоподшипник, импортное производство по ISO стандарту, размер 65x100x57 номер основного исполнения 54213.
Производится брендами: KOYO, NACHI, NSK.
Цена по запросу
Цена на подшипник зависит от:
| Обозначение | Модификация |
|---|---|
| 54213 | Основное конструктивное исполнение. |
| 54213-MP | M = массивный латунный сепаратор. |
| 54213U+U213 | Резиновое уплотнение на каждой стороне подшипника. |
| 54213-MP+U213 | M = массивный латунный сепаратор. |
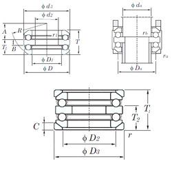
Габаритные размеры
Размеры и геометрические характеристики
Нагрузка и ресурс
Защита
Присоединительные размеры
Конструкция и исполнение
Другие размеры