Главная > Подшипники> Шариковые> Упорные>54213-MP+U213

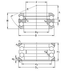
54213-MP+U213 — Осевой радиальный шарикоподшипник, импортное производство по ISO стандарту, размер 55x100x50 номер основного исполнения 54213.
Производитель: NKE.
P = Литой сепаратор из стеклонаполненного полиамида 6,6, центрируемый по телам качения.
Цена по запросу
Цена на подшипник зависит от:
| Обозначение | Модификация |
|---|---|
| 54213 | Основное конструктивное исполнение. |
| 54213U | |
| 54213-MP | M = массивный латунный сепаратор. |
| 54213U+U213 | Резиновое уплотнение на каждой стороне подшипника. |
Габаритные размеры
Размеры и геометрические характеристики
Нагрузка и ресурс
Защита
Присоединительные размеры
Конструкция и исполнение
Другие размеры