Главная > Подшипники> Шариковые> Упорные>54210

54210 — Подшипник шариковый упорный двойного направления, импортное производство по ISO стандарту, размер 40x78x42 основное исполнение.
Производится брендами: CX, FAG, ISO, KOYO, NACHI, NKE, NSK.
Цена по запросу
Цена на подшипник зависит от:
| Обозначение | Модификация |
|---|---|
| 54210U | |
| 54210U+U210 | Резиновое уплотнение на каждой стороне подшипника. |
| 54210 + U210 |
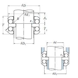
Габаритные размеры
Размеры и геометрические характеристики
Нагрузка и ресурс
Защита
Присоединительные размеры
Конструкция и исполнение
Другие размеры
Прочие характеристики