Главная > Подшипники> Шариковые> Упорные>54210 + U210

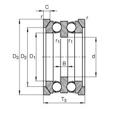
54210 + U210 — Подшипник шариковый упорный двойного направления, импортное производство по ISO стандарту, размер 40x78x42 номер основного исполнения 54210.
Производится брендами: FAG, NKE.
Цена по запросу
Цена на подшипник зависит от:
| Обозначение | Модификация |
|---|---|
| 54210 | Основное конструктивное исполнение. |
| 54210U | |
| 54210U+U210 | Резиновое уплотнение на каждой стороне подшипника. |
Габаритные размеры
Размеры и геометрические характеристики
Нагрузка и ресурс
Защита
Присоединительные размеры
Конструкция и исполнение
Другие размеры
Прочие характеристики