Главная > Подшипники> Шариковые> Упорные>53424X

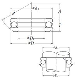
53424X — Осевой радиальный шарикоподшипник, импортное производство по ISO стандарту, размер 120x250x107 номер основного исполнения 53424.
Производитель: NSK.
X = Внешние размеры, соответствующие международным стандартам.
Цена по запросу
Цена на подшипник зависит от:
| Обозначение | Модификация |
|---|---|
| 53424 | Основное конструктивное исполнение. |
| 53424U | |
| 53424XU | X = Внешние размеры, соответствующие международным стандартам. |
| 53424-MP | M = массивный латунный сепаратор. |
| 53424-MP+U424 | M = массивный латунный сепаратор. |
Габаритные размеры
Размеры и геометрические характеристики
Нагрузка и ресурс
Защита
Присоединительные размеры
Конструкция и исполнение
Другие размеры