Главная > Подшипники> Шариковые> Упорные>53424-MP+U424

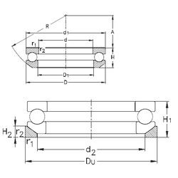
53424-MP+U424 — Осевой радиальный шарикоподшипник, импортное производство по ISO стандарту, размер 120x250x107 номер основного исполнения 53424.
Производитель: NKE.
P = Литой сепаратор из стеклонаполненного полиамида 6,6, центрируемый по телам качения.
Цена по запросу
Цена на подшипник зависит от:
Габаритные размеры
Размеры и геометрические характеристики
Нагрузка и ресурс
Защита
Присоединительные размеры
Конструкция и исполнение
Другие размеры