Главная > Подшипники> Шариковые> Упорные>53417

53417 — Подшипник шариковый упорный однонаправленный, импортное производство по ISO стандарту, размер 85x180x77 основное исполнение.
Производится брендами: CX, ISO, KOYO, NACHI, NKE, NSK.
Цена по запросу
Цена на подшипник зависит от:
| Обозначение | Модификация |
|---|---|
| 53417U | |
| 53417XU | X = Внешние размеры, соответствующие международным стандартам. |
| 53417+U417 | |
| 53417U+U417 | Резиновое уплотнение на каждой стороне подшипника. |
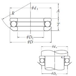
Габаритные размеры
Размеры и геометрические характеристики
Нагрузка и ресурс
Защита
Присоединительные размеры
Конструкция и исполнение
Другие размеры
Подшипник упорный шариковый одинарный со свободным самоустанавливающимся кольцом без подкладного кольца 28417
Конический роликоподшипник 85KBE03 (NACHI)