Главная > Подшипники> Шариковые> Упорные>53417+U417

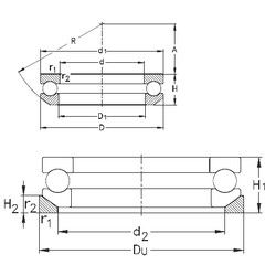
53417+U417 — Осевой радиальный шарикоподшипник, импортное производство по ISO стандарту, размер 85x180x77 номер основного исполнения 53417.
Производитель: NKE.
Цена по запросу
Цена на подшипник зависит от:
| Обозначение | Модификация |
|---|---|
| 53417 | Основное конструктивное исполнение. |
| 53417U | |
| 53417XU | X = Внешние размеры, соответствующие международным стандартам. |
| 53417U+U417 | Резиновое уплотнение на каждой стороне подшипника. |
Габаритные размеры
Размеры и геометрические характеристики
Нагрузка и ресурс
Защита
Присоединительные размеры
Конструкция и исполнение
Другие размеры
Подшипник упорный шариковый одинарный со свободным самоустанавливающимся кольцом без подкладного кольца 28417
Конический роликоподшипник 85KBE03 (NACHI)