Главная > Подшипники> Шариковые> Упорные>53415U

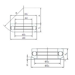
53415U — Подшипник шариковый упорный однонаправленный, импортное производство по ISO стандарту, размер 75x160x75 номер основного исполнения 53415.
Производится брендами: KOYO, NACHI, NSK.
Цена от:14 150 р.
Цена на подшипник зависит от:
Габаритные размеры
Размеры и геометрические характеристики
Нагрузка и ресурс
Защита
Присоединительные размеры
Конструкция и исполнение
Другие размеры