Главная > Подшипники> Шариковые> Упорные>53415- MP

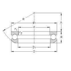
53415- MP — Подшипник шариковый упорный однонаправленный, импортное производство по ISO стандарту, размер 75x160x69 номер основного исполнения 53415.
Производитель: NKE.
P = Литой сепаратор из стеклонаполненного полиамида 6,6, центрируемый по телам качения.
Цена от:14 150 р.
Цена на подшипник зависит от:
Габаритные размеры
Размеры и геометрические характеристики
Нагрузка и ресурс
Защита
Присоединительные размеры
Конструкция и исполнение
Другие размеры
Подшипник упорный шариковый одинарный со свободным самоустанавливающимся кольцом без подкладного кольца 28415
Осевой радиальный шарикоподшипник 53415M+U415 (SKF)
Осевой радиальный шарикоподшипник 53415- MP+U415 (NKE)
Конический роликоподшипник 75KBE03 (NACHI)