Главная > Подшипники>5220AN

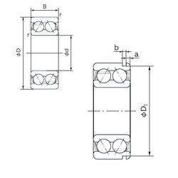
5220AN — Радиально-упорный шарикоподшипник, импортное производство по ISO стандарту, размер 100x180x60 номер основного исполнения 5220.
Производитель: NACHI.
N = Канавка под стопорное кольцо в наружном кольце
Цена по запросу
Цена на подшипник зависит от:
| Обозначение | Модификация |
|---|---|
| 5220A | A = внутренняя модификация конструкции. |
| 5220N | N = Канавка под стопорное кольцо в наружном кольце |
| 5220W | W = Без кольцевой канавки и смазочных отверстий в наружном кольце. |
| NJ5220 | Однорядный цилиндрический роликоподшипник. Наружное кольцо имеет два борта, наружное — один борт. |
| NU5220 | Однорядный цилиндрический роликоподшипник. Наружное кольцо подшипника имеет два борта, а внутреннее кольцо бортов не имеет. |
| 5220NR | Стопорное кольцо и проточка под него в наружном кольце подшипника. |
| 5220ZZ | ZZ = Два металлических экрана. |
| NUP5220 | Однорядный цилиндрический роликоподшипник. Наружное кольцо имеет два борта, внутреннее — один борт и одно свободное фланцевое кольцо. Основные размеры по DIN 5412-1, относится к подтипу фиксированные подшипники, разъемные, с сепаратором. |
| 5220ANR | Стопорное кольцо и проточка под него в наружном кольце подшипника. |
| 5220-2RS | Резиновые уплотнения с каждой стороны подшипника. |
| A 5220 WB | W = Без кольцевой канавки и смазочных отверстий в наружном кольце. B = Измененная внутрення конструкция или ее модификация при неизменных основных размерах. Как правило, значение буквы привязано к определенной серии подшипника. |
| A-5220-WS | S = смазочный паз и три отверстия в наружном кольце подшипника. |
Габаритные размеры
Размеры и геометрические характеристики
Нагрузка и ресурс
Защита
Присоединительные размеры
Конструкция и исполнение
Другие размеры
Подшипник роликовый сферический 23220 (ISB, NSK)
Подшипник шариковый двухрядный радиально-упорный 3220 (CX, FAG, ISB, ISO, KOYO)
Подшипник роликовый радиальный с витыми роликами 3005220
Подшипник роликовый радиальный с витыми роликами 3015220
Подшипник роликовый сферический 23220 CAME4C3 (NSK)
Подшипник роликовый сферический 23220 MB.W33 (MPZ, NIS, NKE, NSK)