Главная > Подшипники> Шариковые> Упорные>511/670F

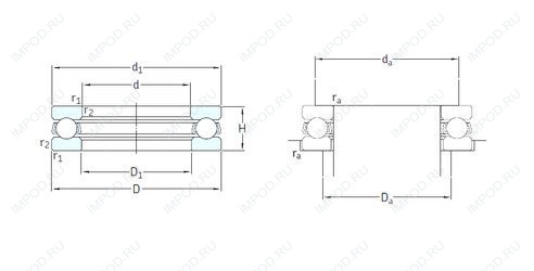
511/670F — Подшипник шариковый упорный однонаправленный, импортное производство по ISO стандарту, размер 670x800x105 номер основного исполнения .
Производитель: SKF.
Механически обработанный сепаратор из стали или чугуна, центрируемый по телам качения.
Цена по запросу
Цена на подшипник зависит от:
Габаритные размеры
Размеры и геометрические характеристики
Нагрузка и ресурс
Защита
Присоединительные размеры
Конструкция и исполнение
Подшипник шариковый упорно-радиальный 1681/670
Подшипник шариковый упорный 1681/670 X
Осевой радиальный шарикоподшипник 511/670-FP (NKE)
Подшипник шариковый упорный 511/670 M (ISB)