Главная > Подшипники> Шариковые> Упорные>511/670-FP

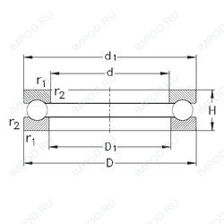
511/670-FP — Осевой радиальный шарикоподшипник, импортное производство по ISO стандарту, размер 670x800x105 номер основного исполнения .
Производитель: NKE.
P = Литой сепаратор из стеклонаполненного полиамида 6,6, центрируемый по телам качения.
Цена по запросу
Цена на подшипник зависит от:
Габаритные размеры
Размеры и геометрические характеристики
Нагрузка и ресурс
Защита
Конструкция и исполнение
Подшипник шариковый упорно-радиальный 1681/670
Подшипник шариковый упорный 1681/670 X
Подшипник шариковый упорный однонаправленный 511/670F (SKF)
Подшипник шариковый упорный 511/670 M (ISB)