Главная > Подшипники> Шариковые> Упорные>511/530F

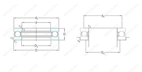
511/530F — Подшипник шариковый упорный однонаправленный, импортное производство по ISO стандарту, размер 530x640x85 номер основного исполнения .
Производитель: SKF.
Механически обработанный сепаратор из стали или чугуна, центрируемый по телам качения.
Цена по запросу
Цена на подшипник зависит от:
Габаритные размеры
Размеры и геометрические характеристики
Нагрузка и ресурс
Защита
Присоединительные размеры
Конструкция и исполнение
Подшипник упорный шариковый одинарный 81/530Н
Подшипник упорный с цилиндрическими роликами одинарный однорядный 91/530
Подшипник шариковый упорный 511/ 530 (CX, ISO, KOYO, NTN)
Подшипник шариковый упорный однонаправленный 511/530-MP (FAG)
Подшипник шариковый упорный однонаправленный 511/530 M (ISB)
Осевой радиальный шарикоподшипник 511/530-FP (NKE)