Главная > Подшипники> Шариковые> Упорные>511/530-FP

511/530-FP — Осевой радиальный шарикоподшипник, импортное производство по ISO стандарту, размер 530x640x85 номер основного исполнения .
Производитель: NKE.
P = Литой сепаратор из стеклонаполненного полиамида 6,6, центрируемый по телам качения.
Цена по запросу
Цена на подшипник зависит от:
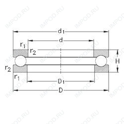
Габаритные размеры
Размеры и геометрические характеристики
Нагрузка и ресурс
Защита
Конструкция и исполнение
Подшипник упорный шариковый одинарный 81/530Н
Подшипник упорный с цилиндрическими роликами одинарный однорядный 91/530
Подшипник шариковый упорный 511/ 530 (CX, ISO, KOYO, NTN)
Подшипник шариковый упорный однонаправленный 511/530-MP (FAG)
Подшипник шариковый упорный однонаправленный 511/530F (SKF)
Подшипник шариковый упорный однонаправленный 511/530 M (ISB)