Главная > Подшипники> Шариковые> Радиальные сферические>50318

50318 — Подшипник шариковый радиальный однорядный с канавкой на наружном кольце, отечественное производство по ГОСТ стандарту, размер 90x190x43 основное исполнение.
Цена по запросу
Цена на подшипник зависит от:
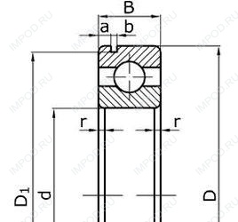
Габаритные размеры
Размеры и геометрические характеристики
Подшипник шариковый радиальный 6-318
Однорядный цилиндрический роликовый подшипник NJ318 (CRAFT, FAG, FBJ, ISB, ISO)
Подшипник роликовый радиально-упорный 32318
Подшипник роликовый сферический 20318 (FAG, ISO)
Подшипник роликовый сферический 21318 (IBC, ISB, NTN)
Подшипник шариковый радиальный сферический двухрядный с цилиндрическим отверстием внутреннего кольца 1318 (ГПЗ-1)