Главная > Подшипники> Шариковые> Радиальные сферические>50313

50313 — Подшипник шариковый радиальный однорядный с канавкой на наружном кольце, отечественное производство по ГОСТ стандарту, размер 65x140x33 основное исполнение.
Цена по запросу
Цена на подшипник зависит от:
| Техника | Модель | Агрегат |
|---|---|---|
| КрАЗ | 260А | Коробка переключения передач |
| КрАЗ | 260В | Коробка переключения передач |
| КрАЗ | 260Г | Коробка переключения передач |
| КрАЗ | 260Д | Коробка переключения передач |
| КрАЗ | 260С | Коробка переключения передач |
| КрАЗ | 260 | Коробка переключения передач |
| МАЗ | 5322 | Коробка переключения передач |
| МАЗ | 5336 | Коробка переключения передач |
| МАЗ | 54321 | Коробка переключения передач |
| МАЗ | 5433 | Коробка переключения передач |
| МАЗ | 5434 | Коробка переключения передач |
| МАЗ | 5551 | Коробка переключения передач |
| МАЗ | 55512 | Коробка переключения передач |
| МАЗ | 6303 | Коробка переключения передач |
| МАЗ | 6422 | Коробка переключения передач |
| МАЗ | 64221 | Коробка переключения передач |
| МАЗ | 642554 | Коробка переключения передач |
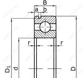
Габаритные размеры
Размеры и геометрические характеристики
Подшипник шариковый радиальный 6-313 (ГПЗ-23)
Однорядный цилиндрический роликовый подшипник NJ313 (CRAFT, FAG, FBJ, ISB, ISO)
Однорядный цилиндрический роликовый подшипник NU313 (CRAFT, FAG, FBJ, ISB, ISO)
Подшипник роликовый сферический 20313 (FAG, ISO, SIGMA)
Подшипник роликовый сферический 21313 (IBC, ISB, NTN)
Подшипник шариковый радиальный сферический двухрядный с цилиндрическим отверстием внутреннего кольца 1313