Главная > Подшипники> Шариковые> Радиальные сферические>50313 АК

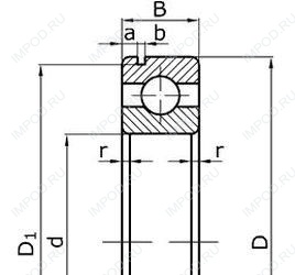
50313 АК — Подшипник шариковый радиальный однорядный с канавкой на наружном кольце, отечественное производство по ГОСТ стандарту, размер 65x140x33 номер основного исполнения 50313.
А = Увеличенная грузоподемность подшипника. К = Конструктивное изменение зависящее от типа подшипника.
Цена по запросу
Цена на подшипник зависит от:
| Техника | Модель | Агрегат |
|---|---|---|
| МАЗ | 6303 | Коробка переключения передач |
| МАЗ | 6422 | Коробка переключения передач |
| МАЗ | 64221 | Коробка переключения передач |
| МАЗ | 64224 | Коробка переключения передач |
| МАЗ | 64227 | Коробка переключения передач |
| МАЗ | 64229 | Коробка переключения передач |
| МАЗ | 64249 | Коробка переключения передач |
| МоАЗ | 546П-Д357П | Коробка переключения передач |
Габаритные размеры
Размеры и геометрические характеристики
Подшипник шариковый радиальный 6-313 (ГПЗ-23)
Однорядный цилиндрический роликовый подшипник NJ313 (CRAFT, FAG, FBJ, ISB, ISO)
Однорядный цилиндрический роликовый подшипник NU313 (CRAFT, FAG, FBJ, ISB, ISO)
Подшипник роликовый сферический 20313 (FAG, ISO, SIGMA)
Подшипник роликовый сферический 21313 (IBC, ISB, NTN)
Подшипник шариковый радиальный сферический двухрядный с цилиндрическим отверстием внутреннего кольца 1313